Startseite >
Gleichstrommotoren mit Stirnradgetriebe >
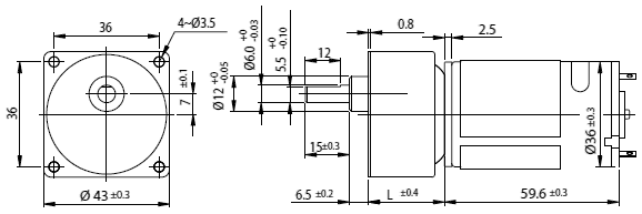
Serie SGS430
Serie SGS430
- Stejnosměrný komutátorový motor s uhlíkovými kartáči
- Obsahuje filtr k potlačení elektromagnetického rušení
- Čelní převodovka s kovovými ozubenými koly (kromě prvního stupně)
- Z důvodu snížení hlučnosti jsou ozubená kola prvního stupně převodovky z bakelitu
- Výstupní hřídel je uložena v kluzném ložisku
Vlastnosti motoru s převodovkou
| Převodový poměr | 10:1 | 15:1 | 18:1 | 25:1 | 36:1 | 50:1 | 75:1 | 100:1 | |
|---|---|---|---|---|---|---|---|---|---|
| 12 V | Jm. moment [kg-cm] | 1,0 | 2,7 | 3,0 | 4,0 | 4,0 | 5,0 | 5,0 | 7,0 |
| Jm. otáčky [ot/min] | 519 | 321 | 275 | 198 | 145 | 103 | 72,5 | 54 | |
| 24 V | Jm. moment [kg-cm] | 1,0 | 2,6 | 3,0 | 4,0 | 4,0 | 5,0 | 5,0 | 7,0 |
| Jm. otáčky [ot/min] | 530 | 340 | 283 | 207 | 149 | 107 | 73 | 54 | |
| Hmotnost [g] | 330 | 336 | 336 | 336 | 336 | 345 | 345 | 345 | |
| Převodový poměr | 150:1 | 200:1 | 250:1 | 360:1 | 500:1 | |
|---|---|---|---|---|---|---|
| 12 V | Jm. moment [kg-cm] | 7,0 | 7,0 | 7,0 | 7,0 | 7,0 |
| Jm. otáčky [ot/min] | 37 | 28,5 | 22,5 | 16 | 11,8 | |
| 24 V | Jm. moment [kg-cm] | 7,0 | 7,0 | 7,0 | 7,0 | 7,0 |
| Jm. otáčky [ot/min] | 37 | 28,5 | 23 | 16,2 | 11,8 | |
| Hmotnost [g] | 345 | 350 | 350 | 350 | 350 | |

Getriebespezifikationen
- Getriebespiel unbelastet ≤ 2 °
- Radiale Belastung ≤ 1 kg (10 mm ab Flansch)
- Axiale Belastung ≤ 0,7 kg
- Max. axiale Aufpresskraft ≤ 20 kg
- Radialspiel ≤ 0,05 mm
- Axialspiel ≤ 0,35 mm
- Betriebstemperatur -10...60 °C
- Relative Luftfeuchtigkeit 20...85 %
| Převodový poměr | 10:1 | 15, 18:1 | 25, 36:1 | 50, 75:1 | 100, 150:1 | 200, 250, 360, 500:1 |
|---|---|---|---|---|---|---|
| Max. trvalý moment [kg-cm] | 1,0 | 3,0 | 4,0 | 5,0 | 7,0 | 7,0 |
| Účinnost [%] | 81 | 73 | 73 | 66 | 66 | 59 |
| Délka L [mm] | 23,9 | 26,4 | 26,4 | 28,9 | 28,9 | 31,4 |
Vlastnosti motoru
| Jm. napětí [V] | Jm. moment [g-cm] | Jm. otáčky [ot/min] | Jm. proud [mA] | Otáčky naprázdno [ot/min] | Proud naprázdno [mA] | Jm. výkon [W] |
|---|---|---|---|---|---|---|
| 12 | 250 | 4930 | ≤1600 | 6000 | ≤250 | 12,8 |
| 24 | 240 | 5150 | ≤750 | 6000 | ≤130 | 12,7 |