Startseite >
Gleichstrommotoren mit Stirnradgetriebe >
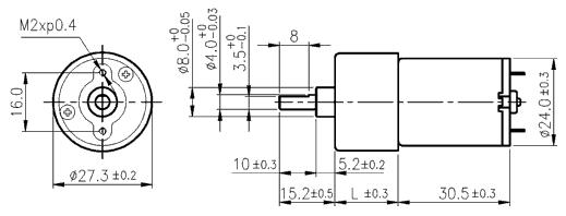
Serie SGC271
Serie SGC271
- Stejnosměrný komutátorový motor s uhlíkovými kartáči
- Obsahuje filtr k potlačení elektromagnetického rušení
- Čelní převodovka s kovovými ozubenými koly
- První stupně převodovky jsou z mosazi
- Výstupní hřídel je uložena v kluzném ložisku
Vlastnosti motoru s převodovkou
| Převodový poměr | 10:1 | 15:1 | 21:1 | 30:1 | 44:1 | 60:1 | 77:1 | 100:1 | 112:1 | 150:1 | 170:1 | |
|---|---|---|---|---|---|---|---|---|---|---|---|---|
| 12 V | Jm. moment [kg-cm] | 0,16 | 0,22 | 0,32 | 0,40 | 0,55 | 0,78 | 0,8 | 1,0 | 1,0 | 1,2 | 1,2 |
| Jm. otáčky [ot/min] | 340 | 230 | 160 | 110 | 80 | 59 | 46 | 36 | 33 | 21,5 | 20 | |
| 24 V | Jm. moment [kg-cm] | 0,16 | 0,21 | 0,30 | 0,38 | 0,52 | 0,73 | 0,8 | 1,0 | 1,0 | 1,2 | 1,2 |
| Jm. otáčky [ot/min] | 325 | 220 | 153 | 105 | 77 | 56 | 44 | 34 | 33 | 22 | 20 | |
| Hmotnost [g] | 77 | 78 | 78 | 79 | 79 | 79 | 79 | 79 | 80 | 80 | 80 | |
| Převodový poměr | 200:1 | 250:1 | 320:1 | 360:1 | 500:1 | 700:1 | 900:1 | 1150:1 | |
|---|---|---|---|---|---|---|---|---|---|
| 12 V | Jm. moment [kg-cm] | 1,2 | 1,2 | 1,2 | 1,2 | 1,2 | 1,2 | 1,2 | 1,2 |
| Jm. otáčky [ot/min] | 18 | 14,5 | 12 | 10,5 | 7,5 | 5,7 | 4,5 | 3,7 | |
| 24 V | Jm. moment [kg-cm] | 1,2 | 1,2 | 1,2 | 1,2 | 1,2 | 1,2 | 1,2 | 1,2 |
| Jm. otáčky [ot/min] | 18 | 14,5 | 11,5 | 10,5 | 7,5 | 5,6 | 4,5 | 3,6 | |
| Hmotnost [g] | 80 | 80 | 80 | 80 | 81 | 81 | 81 | 81 | |

Getriebespezifikationen
- Getriebespiel unbelastet ≤ 2 °
- Radiale Belastung ≤ 0,3 kg (10 mm ab Flansch)
- Axiale Belastung ≤ 0,2 kg
- Max. axiale Aufpresskraft ≤ 2 kg
- Radialspiel ≤ 0,05 mm
- Axialspiel ≤ 0,3 mm
- Betriebstemperatur -10...60 °C
- Relative Luftfeuchtigkeit 20...85 %
| Převodový poměr | 10:1 | 15, 21:1 | 30, 44:1 | 60, 77:1 | 100, 112:1 | 150, 170, 200, 250, 320, 360:1 |
500, 700, 900, 1150:1 |
|---|---|---|---|---|---|---|---|
| Max. trvalý moment [kg-cm] | 0,3 | 0,4 | 0,6 | 0,8 | 1,0 | 1,2 | 1,5 |
| Účinnost [%] | 81 | 73 | 65 | 65 | 65 | 50 | 40 |
| Délka L [mm] | 17,3 | 17,3 | 17,3 | 17,3 | 17,3 | 17,3 | 19,3 |
Vlastnosti motoru
| Jm. napětí [V] | Jm. moment [g-cm] | Jm. otáčky [ot/min] | Jm. proud [mA] | Otáčky naprázdno [ot/min] | Proud naprázdno [mA] | Jm. výkon [W] |
|---|---|---|---|---|---|---|
| 12 | 20,5 | 3560 | ≤150 | 4500 | ≤40 | 0,75 |
| 24 | 19,5 | 3400 | ≤65 | 4500 | ≤30 | 0,68 |
