Startseite >
Gleichstrommotoren mit Stirnradgetriebe >
Serie SG371
Serie SG371
- Stejnosměrný komutátorový motor s uhlíkovými kartáči
- Obsahuje filtr k potlačení elektromagnetického rušení
- K dispozici také verze s enkodérem
- Čelní převodovka s kovovými ozubenými koly (kromě prvního stupně)
- Z důvodu snížení hlučnosti jsou ozubená kola prvního stupně převodovky z bakelitu
- Výstupní hřídel je uložena v kluzném ložisku
Vlastnosti motoru s převodovkou
| Převodový poměr | 10:1 | 18:1 | 30:1 | 50:1 | 60:1 | 75:1 | 90:1 | 100:1 | 120:1 | 150:1 | 180:1 | |
|---|---|---|---|---|---|---|---|---|---|---|---|---|
| 12 V | Jm. moment [kg-cm] | 1,0 | 1,0 | 2,0 | 3,0 | 3,0 | 4,0 | 4,0 | 6,0 | 6,0 | 6,0 | 6,0 |
| Jm. otáčky [ot/min] | 528 | 313 | 185 | 109 | 95 | 76 | 63 | 55 | 47 | 36 | 31,5 | |
| 24 V | Jm. moment [kg-cm] | 1,0 | 1,0 | 2,0 | 3,0 | 3,0 | 4,0 | 4,0 | 6,0 | 6,0 | 6,0 | 6,0 |
| Jm. otáčky [ot/min] | 532 | 315 | 186 | 111 | 96 | 77 | 64 | 55,5 | 48 | 36 | 32 | |
| Hmotnost [g] | 306 | 313 | 313 | 320 | 320 | 320 | 320 | 320 | 326 | 326 | 326 | |
| Převodový poměr | 200:1 | 250:1 | 300:1 | 500:1 | 600:1 | 750:1 | 1000:1 | 1500:1 | 3000:1 | |
|---|---|---|---|---|---|---|---|---|---|---|
| 12 V | Jm. moment [kg-cm] | 6,0 | 6,0 | 6,0 | 6,0 | 6,0 | 6,0 | 6,0 | 6,0 | 6,0 |
| Jm. otáčky [ot/min] | 29 | 22,5 | 19,5 | 11,5 | 9,8 | 8,0 | 5,9 | 3,9 | 2,0 | |
| 24 V | Jm. moment [kg-cm] | 6,0 | 6,0 | 6,0 | 6,0 | 6,0 | 6,0 | 6,0 | 6,0 | 6,0 |
| Jm. otáčky [ot/min] | 29,5 | 23 | 20 | 11,8 | 9,9 | 8,0 | 6,0 | 4,0 | 2,0 | |
| Hmotnost [g] | 326 | 326 | 326 | 332 | 332 | 332 | 332 | 340 | 340 | |

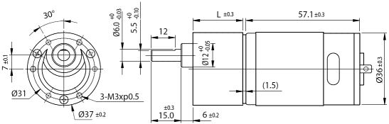
Getriebespezifikationen
- Getriebespiel unbelastet ≤ 2 °
- Radiale Belastung ≤ 1 kg (10 mm ab Flansch)
- Axiale Belastung ≤ 0,7 kg
- Max. axiale Aufpresskraft ≤ 20 kg
- Radialspiel ≤ 0,05 mm
- Axialspiel ≤ 0,35 mm
- Betriebstemperatur -10...60 °C
- Relative Luftfeuchtigkeit 20...85 %
| Převodový poměr | 10:1 | 18:1 | 30:1 | 50, 60:1 | 75, 90:1 | 100:1 | 120, 150, 180, 200, 250, 300:1 |
500, 600, 750, 1000:1 |
1500, 3000:1 |
|---|---|---|---|---|---|---|---|---|---|
| Max. trvalý moment [kg-cm] | 1,0 | 1,0 | 2,0 | 3,0 | 4,0 | 6,0 | 6,0 | 6,0 | 6,0 |
| Účinnost [%] | 81 | 73 | 73 | 66 | 66 | 66 | 59 | 53 | 48 |
| Délka L [mm] | 19,5 | 22,0 | 22,0 | 24,5 | 24,5 | 24,5 | 27,0 | 29,5 | 32,0 |
Vlastnosti motoru
| Jm. napětí [V] | Jm. moment [g-cm] | Jm. otáčky [ot/min] | Jm. proud [mA] | Otáčky naprázdno [ot/min] | Proud naprázdno [mA] | Jm. výkon [W] |
|---|---|---|---|---|---|---|
| 12 | 250 | 4930 | ≤1600 | 6000 | ≤250 | 12,8 |
| 24 | 240 | 5150 | ≤750 | 6000 | ≤130 | 12,7 |

Vlastnosti enkodéru
- Magnetický enkodér s hallovými sondami
- Dva senzory vzájemně posunuté o 90 °
- Výstup je zapojen jako otevřený kolektor
- 7 pulsů na otáčku motoru (PPR) a senzor
- Napájecí napětí 3,5 až 20 V
- Délka krytu enkodéru (D) 13,5 mm
- Ke konektoru nabízíme vhodné vidlice do plošného spoje