Startseite >
Gleichstrommotoren mit Planetengetriebe
>
Serie PG429
Serie PG429
- Stejnosměrný bezkomutátorový motor
- Obsahuje řídicí jednotku
- Jednoduché nastavení směru otáčení i rychlosti
- Planetová převodovka s kovovými ozubenými koly
- Výstupní hřídel je uložena v kuličkovém ložisku
Tuto sérii je možné dodat spolu s úhlovou převodovkou s převodem 1:1
Vlastnosti motoru s převodovkou
| Převodový poměr | 14:1 | 17:1 | 24:1 | 49:1 | 61:1 | 84:1 | 104:1 | 144:1 | 212:1 | 294:1 | |
|---|---|---|---|---|---|---|---|---|---|---|---|
| 24 V | Jm. moment [kg-cm] | 3,6 | 4,5 | 6,2 | 11 | 13 | 18 | 20 | 20 | 25 | 25 |
| Jm. otáčky [ot/min] | 314 | 254 | 183 | 90 | 73 | 55 | 43 | 32 | 22 | 15,2 | |
| Hmotnost [g] | 431 | 431 | 431 | 491 | 491 | 491 | 491 | 491 | 541 | 541 | |
| Převodový poměr | 504:1 | 720:1 | 864:1 | 1062:1 | 1470:1 | 2500:1 | 3000:1 | 3600:1 | |
|---|---|---|---|---|---|---|---|---|---|
| 24 V | Jm. moment [kg-cm] | 30 | 30 | 30 | 30 | 30 | 30 | 30 | 30 |
| Jm. otáčky [ot/min] | 8,8 | 6,3 | 5,2 | 4,3 | 3,1 | 1,8 | 1,6 | 1,3 | |
| Hmotnost [g] | 541 | 541 | 541 | 581 | 581 | 581 | 581 | 581 | |

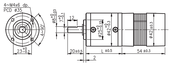
Getriebespezifikationen
- Getriebespiel unbelastet ≤ 3 °
- Radiale Belastung ≤ 8 kg (10 mm ab Flansch)
- Axiale Belastung ≤ 3 kg
- Max. axiale Aufpresskraft ≤ 15 kg
- Radialspiel ≤ 0,05 mm
- Axialspiel ≤ 0,3 mm
- Betriebstemperatur -10...60 °C
- Relative Luftfeuchtigkeit 20...85 %
| Převodový poměr | 14, 17, 24:1 | 49, 61, 84:1 | 104, 144:1 | 212, 294:1 | 504, 720, 864:1 |
1062, 1470, 2500, 3000, 3600:1 |
|---|---|---|---|---|---|---|
| Max. trvalý moment [kg-cm] | 8,0 | 18,0 | 20,0 | 25,0 | 30,0 | 30,0 |
| Účinnost [%] | 70 | 60 | 60 | 50 | 50 | 40 |
| Délka L [mm] | 39,2 | 45,9 | 45,9 | 52,6 | 52,6 | 59,6 |
Vlastnosti motoru
| Jm. napětí [V] | Jm. moment [g-cm] | Jm. otáčky [ot/min] | Jm. proud [mA] | Otáčky naprázdno [ot/min] | Proud naprázdno [mA] | Jm. výkon [W] |
|---|---|---|---|---|---|---|
| 24 | 370 | 4400 | ≤1000 | 5000 | ≤250 | 16,7 |


Rozměry úhlové převodovky
