Startseite >
Gleichstrommotoren mit Planetengetriebe
>
Serie PG420
Serie PG420
- Hochwertiger Permanentmagnet-Gleichstrommotor mit Kohlebürsten
- Filter zur Unterdrückung elektromagnetischer Störungen
- Bidirectional, the direction of rotation can be set by changing the polarity of the supply voltage
- Planetary gearbox with metal gears
- Output shaft is supported by a ball bearing
- There is also a version with encoder
Tuto sérii je možné dodat spolu s úhlovou převodovkou s převodem 1:1
Vlastnosti motoru s převodovkou
| Převodový poměr | 4:1 | 14:1 | 17:1 | 24:1 | 49:1 | 61:1 | 84:1 | 104:1 | 144:1 | 212:1 | 294:1 | |
|---|---|---|---|---|---|---|---|---|---|---|---|---|
| 12 V | Jm. moment [kg-cm] | 2,2 | 6,5 | 8 | 8 | 18 | 18 | 18 | 20 | 20 | 25 | 25 |
| Jm. otáčky [ot/min] | 1400 | 405 | 325 | 238 | 120 | 98 | 76 | 63 | 45 | 31 | 22 | |
| 24 V | Jm. moment [kg-cm] | 1,8 | 5,4 | 6,6 | 8 | 16 | 18 | 18 | 20 | 20 | 25 | 25 |
| Jm. otáčky [ot/min] | 1445 | 420 | 340 | 246 | 122 | 102 | 78 | 63 | 47 | 31 | 22 | |
| Hmotnost [g] | 530 | 578 | 578 | 578 | 620 | 620 | 620 | 620 | 620 | 670 | 670 | |
| Převodový poměr | 504:1 | 720:1 | 864:1 | 1062:1 | 1470:1 | 2500:1 | 3000:1 | 3600:1 | |
|---|---|---|---|---|---|---|---|---|---|
| 12 V | Jm. moment [kg-cm] | 30 | 30 | 30 | 30 | 30 | 30 | 30 | 30 |
| Jm. otáčky [ot/min] | 13,5 | 9,5 | 8 | 6,5 | 4,6 | 2,7 | 2,3 | 1,9 | |
| 24 V | Jm. moment [kg-cm] | 30 | 30 | 30 | 30 | 30 | 30 | 30 | 30 |
| Jm. otáčky [ot/min] | 13,5 | 9,5 | 8 | 6,5 | 4,6 | 2,7 | 2,3 | 1,9 | |
| Hmotnost [g] | 670 | 670 | 670 | 716 | 716 | 716 | 716 | 716 | |

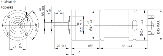
Getriebespezifikationen
- Getriebespiel unbelastet ≤ 3 °
- Radiale Belastung ≤ 8 kg (10 mm ab Flansch)
- Axiale Belastung ≤ 3 kg
- Max. axiale Aufpresskraft ≤ 15 kg
- Radialspiel ≤ 0,05 mm
- Axialspiel ≤ 0,3 mm
- Betriebstemperatur -10...60 °C
- Relative Luftfeuchtigkeit 20...85 %
| Převodový poměr | 4:1 | 14, 17, 24:1 | 49, 61, 84:1 | 104, 144:1 | 212, 294:1 | 504, 720, 864:1 |
1062, 1470, 2500, 3000, 3600:1 |
|---|---|---|---|---|---|---|---|
| Max. trvalý moment [kg-cm] | 3,0 | 8,0 | 18,0 | 20,0 | 25,0 | 30,0 | 30,0 |
| Účinnost [%] | 80 | 70 | 60 | 60 | 50 | 50 | 40 |
| Délka L [mm] | 32,5 | 39,2 | 45,9 | 45,9 | 52,6 | 52,6 | 59,6 |
Vlastnosti motoru
| Jm. napětí [V] | Jm. moment [g-cm] | Jm. otáčky [ot/min] | Jm. proud [mA] | Otáčky naprázdno [ot/min] | Proud naprázdno [mA] | Jm. výkon [W] |
|---|---|---|---|---|---|---|
| 12 | 700 | 5700 | ≤5500 | 7000 | ≤900 | 41,3 |
| 24 | 570 | 5900 | ≤2100 | 7000 | ≤500 | 34,7 |

Vlastnosti enkodéru
- Magnetický enkodér s hallovými sondami
- Dva senzory vzájemně posunuté o 90 °
- Výstup je zapojen jako otevřený kolektor
- 5 pulsů na otáčku motoru (PPR) a senzor
- Napájecí napětí 3,5 až 20 V
- Délka krytu enkodéru (D) 15,5 mm
- Ke konektoru nabízíme vhodné vidlice do plošného spoje
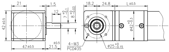
Rozměry úhlové převodovky
