Startseite >
Gleichstrommotoren mit Planetengetriebe
>
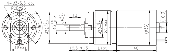
Serie PG359
Serie PG359
- Stejnosměrný bezkomutátorový motor
- Obsahuje řídicí jednotku
- Jednoduché nastavení směru i rychlosti otáčení
- Planetová převodovka s kovovými ozubenými koly (kromě prvního stupně)
- Z důvodu snížení hlučnosti jsou ozubená kola prvního stupně převodovky z plastu
- Výstupní hřídel je uložena v kuličkovém ložisku
Vlastnosti motoru s převodovkou
| Převodový poměr | 5:1 | 14:1 | 19:1 | 27:1 | 51:1 | 71:1 | 100:1 | 139:1 | 189:1 | 264:1 | 516:1 | 721:1 | |
|---|---|---|---|---|---|---|---|---|---|---|---|---|---|
| 12 V | Jm. moment [kg-cm] | 0,8 | 1,9 | 2,6 | 3,7 | 6,1 | 8 | 10 | 10 | 12 | 12 | 12 | 12 |
| Jm. otáčky [ot/min] | 380 | 140 | 100 | 73 | 38 | 28 | 20 | 15,5 | 11,5 | 8,5 | 4,5 | 3,4 | |
| 24 V | Jm. moment [kg-cm] | 1,0 | 2,4 | 3,3 | 4,7 | 7,6 | 8 | 10 | 10 | 12 | 12 | 12 | 12 |
| Jm. otáčky [ot/min] | 750 | 280 | 200 | 145 | 76 | 54 | 40 | 30 | 23 | 17 | 8,5 | 6,2 | |
| Hmotnost [g] | 253 | 296 | 296 | 296 | 330 | 330 | 330 | 330 | 355 | 355 | 355 | 355 | |

Getriebespezifikationen
- Getriebespiel unbelastet ≤ 2,5 °
- Radiale Belastung ≤ 3,5 kg (10 mm ab Flansch)
- Axiale Belastung ≤ 2,5 kg
- Max. axiale Aufpresskraft ≤ 10 kg
- Radialspiel ≤ 0,05 mm
- Axialspiel ≤ 0,3 mm
- Betriebstemperatur -10...60 °C
- Relative Luftfeuchtigkeit 20...85 %
| Převodový poměr | 5:1 | 14:1 | 19:1 | 27:1 | 51:1 | 71:1 | 100:1 | 139:1 | 189:1 | 264:1 | 516:1 | 721:1 |
|---|---|---|---|---|---|---|---|---|---|---|---|---|
| Max. trvalý moment [kg-cm] | 2,0 | 4,0 | 4,0 | 6,0 | 8,0 | 8,0 | 10,0 | 10,0 | 12,0 | 12,0 | 12,0 | 12,0 |
| Účinnost [%] | 80 | 70 | 70 | 70 | 60 | 60 | 60 | 60 | 50 | 50 | 50 | 50 |
| Délka L [mm] | 22,1 | 28,5 | 28,5 | 28,5 | 34,9 | 34,9 | 34,9 | 34,9 | 41,3 | 41,3 | 41,3 | 41,3 |
Vlastnosti motoru
| Jm. napětí [V] | Jm. moment [g-cm] | Jm. otáčky [ot/min] | Jm. proud [mA] | Otáčky naprázdno [ot/min] | Proud naprázdno [mA] | Jm. výkon [W] |
|---|---|---|---|---|---|---|
| 12 | 200 | 2000 | ≤1000 | 2800 | ≤350 | 4,1 |
| 24 | 250 | 3900 | ≤1230 | 5000 | ≤400 | 10,0 |

