Startseite >
Gleichstrommotoren mit Planetengetriebe
>
Serie PG320
Serie PG320
- Kvalitní stejnosměrný komutátorový motor s uhlíkovými kartáči
- Obsahuje filtr k potlačení elektromagnetického rušení
- Obousměrný, směr otáčení nastavíte změnou polarity napájecího napětí
- K dispozici také verze s enkodérem
- Planetová převodovka s kovovými ozubenými koly (kromě prvního stupně)
- Z důvodu snížení hlučnosti jsou ozubená kola prvního stupně převodovky z plastu
- Výstupní hřídel je uložena v kuličkovém ložisku
Tuto sérii je možné dodat spolu s úhlovou převodovkou
Vlastnosti motoru s převodovkou
| Převodový poměr | 5:1 | 14:1 | 19:1 | 27:1 | 35:1 | 51:1 | 71:1 | 100:1 | 139:1 | 189:1 | 264:1 | 516:1 | 721:1 | 939:1 | |
|---|---|---|---|---|---|---|---|---|---|---|---|---|---|---|---|
| 12 V | Jm. moment [kg-cm] | 0,3 | 0,75 | 1,0 | 1,4 | 1,9 | 2,3 | 3,3 | 4,6 | 6,5 | 7,3 | 10 | 12 | 12 | 12 |
| Jm. otáčky [ot/min] | 995 | 373 | 270 | 195 | 150 | 104 | 74 | 53 | 38 | 28 | 20 | 11,2 | 8,3 | 6,3 | |
| 24 V | Jm. moment [kg-cm] | 0,3 | 0,7 | 1,0 | 1,4 | 1,8 | 2,2 | 3,1 | 4,4 | 6,1 | 6,9 | 9,7 | 12 | 12 | 12 |
| Jm. otáčky [ot/min] | 990 | 370 | 265 | 191 | 150 | 103 | 74 | 53 | 38 | 28 | 20 | 11,2 | 8,3 | 6,3 | |
| Hmotnost [g] | 174 | 194 | 194 | 194 | 194 | 219 | 219 | 219 | 219 | 245 | 245 | 245 | 245 | 245 | |

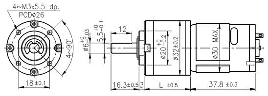
Getriebespezifikationen
- Getriebespiel unbelastet ≤ 2,5 °
- Radiale Belastung ≤ 3,5 kg (10 mm ab Flansch)
- Axiale Belastung ≤ 2,5 kg
- Max. axiale Aufpresskraft ≤ 10 kg
- Radialspiel ≤ 0,05 mm
- Axialspiel ≤ 0,3 mm
- Betriebstemperatur -10...60 °C
- Relative Luftfeuchtigkeit 20...85 %
| Převodový poměr | 5:1 | 14:1 | 19:1 | 27:1 | 35:1 | 51:1 | 71:1 | 100:1 | 139:1 | 189:1 | 264:1 | 516:1 | 721:1 | 939:1 |
|---|---|---|---|---|---|---|---|---|---|---|---|---|---|---|
| Max. trvalý moment [kg-cm] | 2,0 | 4,0 | 4,0 | 6,0 | 6,0 | 8,0 | 8,0 | 10,0 | 10,0 | 12,0 | 12,0 | 12,0 | 12,0 | 12,0 |
| Účinnost [%] | 80 | 70 | 70 | 70 | 70 | 60 | 60 | 60 | 60 | 50 | 50 | 50 | 50 | 50 |
| Délka L [mm] | 20,6 | 27,0 | 27,0 | 27,0 | 27,0 | 33,4 | 33,4 | 33,4 | 33,4 | 39,8 | 39,8 | 39,8 | 39,8 | 39,8 |
Vlastnosti motoru
| Jm. napětí [V] | Jm. moment [g-cm] | Jm. otáčky [ot/min] | Jm. proud [mA] | Otáčky naprázdno [ot/min] | Proud naprázdno [mA] | Jm. výkon [W] |
|---|---|---|---|---|---|---|
| 12 | 78 | 5290 | ≤530 | 6500 | ≤150 | 4,22 |
| 24 | 74 | 5250 | ≤250 | 6500 | ≤85 | 3,97 |

Vlastnosti enkodéru
- Magnetický enkodér s hallovými sondami
- Dva senzory vzájemně posunuté o 90 °
- Výstup je zapojen jako otevřený kolektor
- 7 pulsů na otáčku motoru (PPR) a senzor
- Napájecí napětí 3,5 až 20 V
- Délka krytu enkodéru (D) 12,6 mm
- Ke konektoru nabízíme vhodné vidlice do plošného spoje
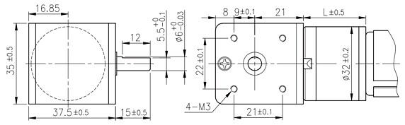
Parametry úhlové převodovky
- Převod 1:1
