Startseite >
Gleichstrommotoren mit Planetengetriebe
>
Serie PG300
Serie PG300
- Kvalitní stejnosměrný komutátorový motor s uhlíkovými kartáči
- Obsahuje filtr k potlačení elektromagnetického rušení
- Obousměrný, směr otáčení nastavíte změnou polarity napájecího napětí
- Planetová převodovka s kovovými ozubenými koly (kromě prvního stupně)
- Z důvodu snížení hlučnosti jsou ozubená kola prvního stupně převodovky z plastu
- Výstupní hřídel je uložena v kuličkovém ložisku
Vlastnosti motoru s převodovkou
| Převodový poměr | 14:1 | 19:1 | 27:1 | 51:1 | 71:1 | 100:1 | 189:1 | 516:1 | 721:1 | |
|---|---|---|---|---|---|---|---|---|---|---|
| 12 V | Jm. moment [kg-cm] | 1,1 | 1,5 | 2,1 | 3,4 | 4,7 | 6,6 | 10 | 10 | 10 |
| Jm. otáčky [ot/min] | 430 | 310 | 221 | 117 | 83 | 60 | 32 | 13,2 | 9,6 | |
| 24 V | Jm. moment [kg-cm] | 1,2 | 1,7 | 2,4 | 4,0 | 5,5 | 7,8 | 10 | 10 | 10 |
| Jm. otáčky [ot/min] | 445 | 320 | 229 | 121 | 87 | 62 | 34,5 | 13,5 | 9,8 | |
| Hmotnost [g] | 201 | 201 | 201 | 216 | 216 | 216 | 231 | 231 | 231 | |

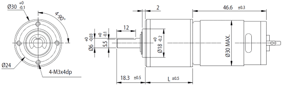
Getriebespezifikationen
- Getriebespiel unbelastet ≤ 2,5 °
- Radiale Belastung ≤ 3,5 kg (10 mm ab Flansch)
- Axiale Belastung ≤ 2,5 kg
- Max. axiale Aufpresskraft ≤ 10 kg
- Radialspiel ≤ 0,05 mm
- Axialspiel ≤ 0,3 mm
- Betriebstemperatur -10...60 °C
- Relative Luftfeuchtigkeit 20...85 %
| Převodový poměr | 14:1 | 19:1 | 27:1 | 51:1 | 71:1 | 100:1 | 189:1 | 516:1 | 721:1 |
|---|---|---|---|---|---|---|---|---|---|
| Max. trvalý moment [kg-cm] | 3,0 | 3,0 | 4,0 | 6,0 | 6,0 | 8,0 | 10,0 | 10,0 | 10,0 |
| Účinnost [%] | 70 | 70 | 70 | 60 | 60 | 60 | 50 | 50 | 50 |
| Délka L [mm] | 30 | 30 | 30 | 36,4 | 36,4 | 36,4 | 42,8 | 42,8 | 42,8 |
Vlastnosti motoru
| Jm. napětí [V] | Jm. moment [g-cm] | Jm. otáčky [ot/min] | Jm. proud [mA] | Otáčky naprázdno [ot/min] | Proud naprázdno [mA] | Jm. výkon [W] |
|---|---|---|---|---|---|---|
| 12 | 110 | 5950 | ≤900 | 7300 | ≤150 | 7,0 |
| 24 | 130 | 6160 | ≤500 | 7300 | ≤80 | 8,5 |
