Startseite >
Gleichstrommotoren mit Planetengetriebe
>
Serie PG280
Serie PG280
- Kvalitní stejnosměrný komutátorový motor s uhlíkovými kartáči
- Obsahuje filtr k potlačení elektromagnetického rušení
- Obousměrný, směr otáčení nastavíte změnou polarity napájecího napětí
- Planetová převodovka s kovovými ozubenými koly (kromě prvního stupně)
- Z důvodu snížení hlučnosti jsou ozubená kola prvního stupně převodovky z plastu
- Výstupní hřídel je uložena v kuličkovém ložisku
Vlastnosti motoru s převodovkou
| Převodový poměr | 5:1 | 14:1 | 19:1 | 27:1 | 35:1 | 51:1 | 71:1 | 100:1 | 139:1 | 189:1 | 264:1 | 516:1 | 721:1 | 939:1 | |
|---|---|---|---|---|---|---|---|---|---|---|---|---|---|---|---|
| 12 V | Jm. moment [kg-cm] | 0,32 | 0,75 | 1,0 | 1,4 | 1,9 | 2,4 | 3,3 | 4,7 | 6,6 | 7,4 | 10 | 10 | 10 | 10 |
| Jm. otáčky [ot/min] | 1000 | 375 | 270 | 193 | 148 | 102 | 73 | 52 | 37,3 | 27,5 | 19,7 | 10,5 | 7,5 | 5,7 | |
| 24 V | Jm. moment [kg-cm] | 0,38 | 0,9 | 1,2 | 1,7 | 2,3 | 2,8 | 4,0 | 5,6 | 7,8 | 8,8 | 10 | 10 | 10 | 10 |
| Jm. otáčky [ot/min] | 990 | 370 | 265 | 191 | 147 | 101 | 72 | 51,5 | 36,9 | 27,2 | 19,3 | 10,4 | 7,4 | 5,7 | |
| Směr otáčení | CCW | ||||||||||||||
| Hmotnost [g] | 162 | 172 | 172 | 172 | 172 | 185 | 185 | 185 | 185 | 199 | 199 | 199 | 199 | 199 | |

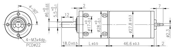
Getriebespezifikationen
- Getriebespiel unbelastet ≤ 2,5 °
- Radiale Belastung ≤ 3,5 kg (10 mm ab Flansch)
- Axiale Belastung ≤ 2,5 kg
- Max. axiale Aufpresskraft ≤ 10 kg
- Radialspiel ≤ 0,05 mm
- Axialspiel ≤ 0,3 mm
- Betriebstemperatur -10...60 °C
- Relative Luftfeuchtigkeit 20...85 %
| Převodový poměr | 5:1 | 14:1 | 19:1 | 27:1 | 35:1 | 51:1 | 71:1 | 100:1 | 139:1 | 189:1 | 264:1 | 516:1 | 721:1 | 939:1 |
|---|---|---|---|---|---|---|---|---|---|---|---|---|---|---|
| Max. trvalý moment [kg-cm] | 2,0 | 3,0 | 3,0 | 4,0 | 4,0 | 6,0 | 6,0 | 8,0 | 8,0 | 10,0 | 10,0 | 10,0 | 10,0 | 10,0 |
| Účinnost [%] | 80 | 70 | 70 | 70 | 70 | 60 | 60 | 60 | 60 | 50 | 50 | 50 | 50 | 50 |
| Délka L [mm] | 24,5 | 30,9 | 30,9 | 30,9 | 30,9 | 37,3 | 37,3 | 37,3 | 37,3 | 43,7 | 43,7 | 43,7 | 43,7 | 43,7 |
Vlastnosti motoru
| Jm. napětí [V] | Jm. moment [g-cm] | Jm. otáčky [ot/min] | Jm. proud [mA] | Otáčky naprázdno [ot/min] | Proud naprázdno [mA] | Jm. výkon [W] |
|---|---|---|---|---|---|---|
| 12 | 79 | 5200 | ≤500 | 6000 | ≤130 | 4,22 |
| 24 | 94 | 5140 | ≤300 | 6000 | ≤80 | 4,96 |
