Startseite >
Gleichstrommotoren mit Planetengetriebe
>
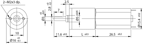
Serie PG160
Serie PG160
- Kvalitní stejnosměrný komutátorový motor s kovovými kartáči
- Obsahuje filtr k potlačení elektromagnetického rušení
- Obousměrný, směr otáčení nastavíte změnou polarity napájecího napětí
- Planetová převodovka s kovovými ozubenými koly (kromě prvního stupně)
- Z důvodu snížení hlučnosti jsou ozubená kola prvního stupně převodovky z plastu
- Výstupní hřídel je uložena v kluzném ložisku
Vlastnosti motoru s převodovkou
| Převodový poměr | 4:1 | 14:1 | 19:1 | 29:1 | 62:1 | 104:1 | 231:1 | 370:1 | 561:1 | 1014:1 | 3027:1 | |
|---|---|---|---|---|---|---|---|---|---|---|---|---|
| 12 V | Jm. moment [g-cm] | 21 | 60 | 82 | 120 | 220 | 380 | 700 | 1100 | 1700 | 2400 | 2400 |
| Jm. otáčky [ot/min] | 1330 | 430 | 315 | 205 | 100 | 59 | 26 | 16 | 11,0 | 6,0 | 2,3 | |
| 24 V | Jm. moment [g-cm] | 31 | 85 | 120 | 180 | 330 | 560 | 1000 | 1600 | 2000 | 2400 | 2400 |
| Jm. otáčky [ot/min] | 2400 | 760 | 555 | 365 | 170 | 105 | 47 | 29 | 19,5 | 11 | 4,1 | |
| Hmotnost [g] | 37 | 41 | 41 | 41 | 45 | 45 | 49 | 49 | 49 | 53 | 53 | |

Getriebespezifikationen
- Getriebespiel unbelastet ≤ 3 °
- Radiale Belastung ≤ 0,5 kg (10 mm ab Flansch)
- Axiale Belastung ≤ 0,5 kg
- Max. axiale Aufpresskraft ≤ 1,5 kg
- Radialspiel ≤ 0,08 mm
- Axialspiel ≤ 0,2 mm
- Betriebstemperatur -10...60 °C
- Relative Luftfeuchtigkeit 20...85 %
| Převodový poměr | 4:1 | 14, 19, 29:1 | 62, 104:1 | 231, 370, 561:1 | 1014, 3027:1 |
|---|---|---|---|---|---|
| Max. trvalý moment [kg-cm] | 0,8 | 1,2 | 1,6 | 2,0 | 2,4 |
| Účinnost [%] | 80 | 70 | 60 | 50 | 40 |
| Délka L [mm] | 15,05 | 18,70 | 22,35 | 26 | 29,65 |
Vlastnosti motoru
| Jm. napětí [V] | Jm. moment [g-cm] | Jm. otáčky [ot/min] | Jm. proud [mA] | Otáčky naprázdno [ot/min] | Proud naprázdno [mA] | Jm. výkon [W] |
|---|---|---|---|---|---|---|
| 6 | 7,4 | 6550 | ≤160 | 8000 | ≤65 | 0,498 |
| 9 | 7,0 | 6500 | ≤110 | 8000 | ≤50 | 0,473 |
| 12 | 6,1 | 6200 | ≤85 | 8000 | ≤50 | 0,394 |
| 24 | 9,0 | 11000 | ≤90 | 13500 | ≤50 | 1,026 |
