Startseite >
Linearantriebe >
Serie LD3
Serie LD3
- Lineární aktuátor se stejnosměrným motorem
- Trapézový (ACME) šroub
- Čelní převodovka
- Integrované spínače krajních poloh
- Nastavení směru pohybu pístu pomocí změny polarity napětí
- Stupeň krytí IP65
- Hlučnost ≤70 dB
Možné úpravy: celokovová převodovka, délka zdvihu, délka vodičů, napájecí napětí 36 nebo 48 V, průměr otvoru v pístu...
Parametry aktuátoru
| Převodový poměr | 5:1 | 10:1 | 20:1 | 30:1 | 40:1 | |||||
|---|---|---|---|---|---|---|---|---|---|---|
| Maximální síla | 150 N | 250 N | 500 N | 800 N | 1000 N | |||||
| Rychlost při max. ztížení | 36,5 mm/s | 23,5 mm/s | 12,3 mm/s | 7,5 mm/s | 5,5 mm/s | |||||
| Statické zatížení | 500 N | 2500 N | 2500 N | 2500 N | 2500 N | |||||
| Napětí | 12 V | 24 V | 12 V | 24 V | 12 V | 24 V | 12 V | 24 V | 12 V | 24 V |
| Proud při jmenovitým zatížení | 2,0 A | 1,0 A | 2,4 A | 1,2 A | 2,6 A | 1,3 A | 2,9 A | 1,5 A | 2,8 A | 1,4 A |
Provozní podmínky
- Zatěžovatel: 25 % (1 min. nepřetržitého provozu v cyklu 4 min.)
- Životnost: min. 4 000 000 mm
- Provozní teplota: -25...+65 °C
- Teplotní třída izolace: F (155 °C)
Materiál
- Kovová ozubená kola (pouze první je z důvodu snížení hlučnosti z plastu)
- Vnější tubus a pístnice: eloxovaný hliník
- Kryt převodovky a motoru: zinková slitina
- Ocelové vřeteno s plastovou maticí
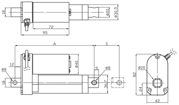
Rozměry
| Zdvih S [mm] | 50 | 100 | 150 | 200 | 250 | 300 |
|---|---|---|---|---|---|---|
| Délka v zasunutém stavu A [mm] | 158 | 209 | 260 | 311 | 362 | 413 |
| Hmotnost [g] | 860 | 940 | 1010 | 1090 | 1140 | 1200 |

- Tolerance zdvihu ±3,0 mm
- Délka kabelu 900 mm

Příslušenství
